ESSENTRA
Cônes de masquage plastique EPDM ou Silicone
Caractéristiques :
- Applications : Masquage de pièce industrielle
- Atout produit : Utilisation en Cape ou en Bouchon, Résistance Haute température
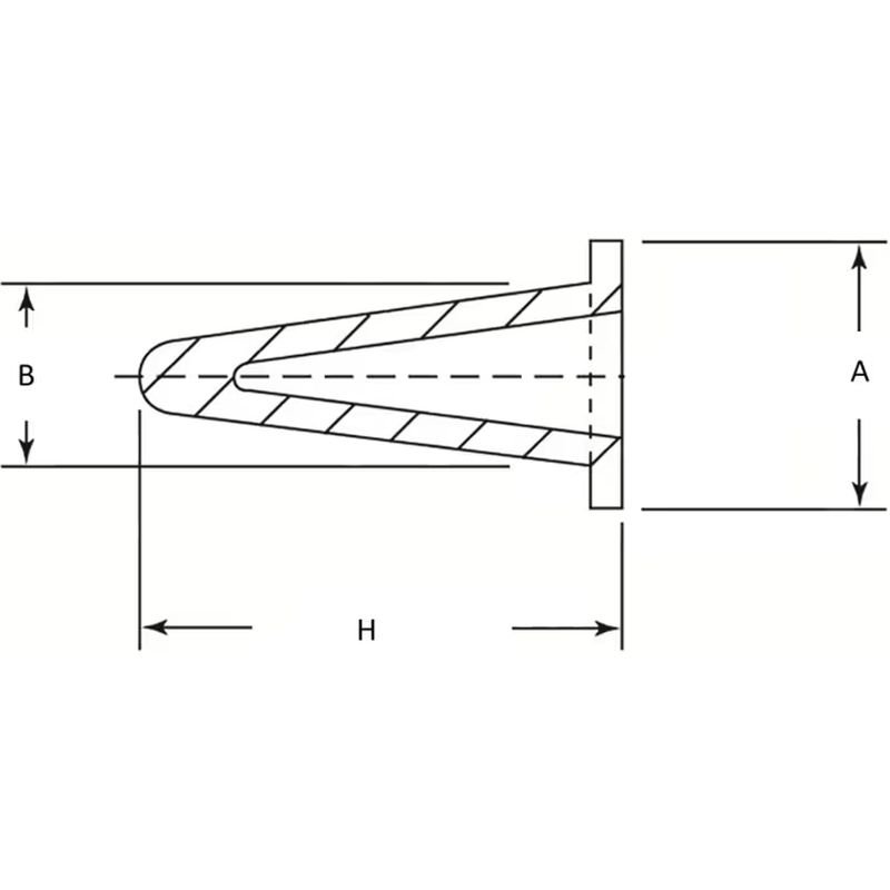
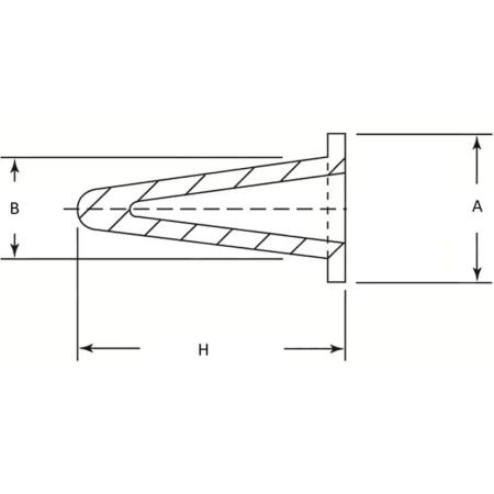
Les cônes de masquage ESSENTRA peuvent être utilisés comme bouchons ou capuchons. Leur forme conique leur permet de s'adapter à une grande variété de diamètres intérieurs et extérieurs.
Ce type de cône plastique peut être fixé à l'aide de crochets à peinture.
Disponible en silicone et en EPDM.
- Solution de masquage polyvalente
- Forme conique.
- Options de matériaux haut de gamme et économiques.
- Matière : Silicone, EPDM
- Couleur : Violet, Rouge, Naturel, Rouille, Noir, Bleu, Vert, Marron, Jaune
- Séries : SR1075, SR1091
Caractéristiques
| Applications | Masquage de pièce industrielle |
|---|---|
| Atout produit | Utilisation en Cape ou en Bouchon, Résistance Haute température |
| Référence Essentra | B | H | Matière |
| 10251683 | 8.0 mm | 25.4 mm | EPDM |
| 10251720 | 14.0 mm | 36.0 mm | EPDM |
| 10186039 | 6.3 mm | 23.0 mm | Silicone |
| 10251737 | 17.5 mm | 38.1 mm | EPDM |
| 10251690 | 8.5 mm | 25.4 mm | EPDM |
| 10251751 | 22.0 mm | 53.0 mm | EPDM |
| 10186060 | 14.0 mm | 36.0 mm | Silicone |
| 10251775 | 10.1 mm | 27.9 mm | Silicone |
| 10251768 | 8.0 mm | 25.4 mm | Silicone |
| 10186046 | 8.5 mm | 25.4 mm | Silicone |
| 10186121 | 17.5 mm | 38.1 mm | Silicone |
| 10251829 | 20.8 mm | 49.0 mm | Silicone |
| 10186138 | 19.5 mm | 51.0 mm | Silicone |
| 10251836 | 22.0 mm | 53.0 mm | Silicone |
| 10251706 | 10.0 mm | 28.0 mm | EPDM |
| 10251744 | 19.5 mm | 51.0 mm | EPDM |
| 10186053 | 10.0 mm | 28.0 mm | Silicone |
| 10251676 | 6.3 mm | 23.0 mm | EPDM |
| 10251713 | 10.1 mm | 27.9 mm | EPDM |
Mot du fournisseur
Les bouchons de masquage haute température d'Essentra Components sont la solution parfaite pour protéger les trous filetés et non filetés des revêtements et processus de finition à haute température, jusqu'à 316°C.
Quels sont les avantages d'opter pour nos bouchons haute température?
- Protection fiable et efficace : Nos bouchons de masquage haute température offrent une protection fiable et efficace pour les surfaces critiques lors de processus à haute température, tels que la pulvérisation de poudre, la peinture et l'anodisation.
- Facilité d'utilisation : Nos bouchons sont conçus pour une installation et un retrait faciles, sans nécessité d'outils ou d'équipements spéciaux. Ils sont disponibles dans différentes formes et tailles pour s'adapter à diverses applications.
- Résistance à haute température : Nos bouchons de masquage haute température peuvent résister à des températures allant jusqu'à 316°C, tout en restant durables et flexibles.
Les matériaux dans lesquels nos bouchons haute température sont proposés incluent - silicone, TPE, EPDM et PVC.